L’ensemble des perçages reçoit une pointe annelée Ø 4,0 x 50 mm. Les fibres du bois sont perpendiculaires à la charge descendante
Clouage sur poteau :
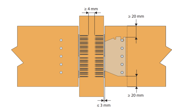
Le clouage est partiel. Les pointes sont positionnées suivant le principe donné par le schéma ci-après. Les fibres du porteur sont parallèles à la charge descendante.
Mise en œuvre :
Simple face : largeur ≥ 160 mm
Double face
Meta Navigation fr-FR
Legal Info
A propos de Simpson Strong-Tie®
Simpson Strong Tie fournit des produits et des technologies qui aident les gens à concevoir et à construire des structures plus sûres et plus solides.
En tant que pionnier de l'industrie du bâtiment et leader mondial des solutions structurelles, nous avons une passion inégalée pour la résolution des problèmes par le biais d'une ingénierie habile et d'une innovation réfléchie. Notre engagement pour rechercher des produits et des technologies de construction toujours plus performants et accompagner nos clients avec un service et une assistance exceptionnelle est au cœur de notre mission depuis 1956.