TRZ

Cheville autoforeuse Zamac pour plaques de plâtre

La cheville autoforeuse TRZ permet la fixation rapide d'éléments sur plaque ou carreau de plâtre ainsi que sur béton cellulaire. Cette cheville peut être directement vissée dans une paroi en plaque de plâtre simple ou double, avec la tête à fleur de la surface. La cheville peut être ensuite utilisée avec une vis bois ou acier de Ø3 à 4.5 mm.

La cheville est posée avec un embout ou tournevis cruciforme PH2.

Acier electrozingué jaune

Présentation

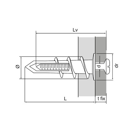
Images

Caractéristiques

Matière

  • Cheville : Zamak,
  • Vis : acier electrozingué.

Avantages

  • Aucun préperçage nécessaire,
  • Fonctione aussi sur plaque de plâtre doublée.

Application

Domaines d'utilisation

  • Tasseaux bois,
  • Tringles,
  • Profils métalliques,
  • Goulottes.

Supports

  • Plaque de plâtre,
  • Béton cellulaire,
  • Carreau de plâtre,
  • Panneau (compatibilité à vérifier).

Données techniques

Dimensions

Dimensions

Références Référence Dimensions [ØxL] [mm] Ep. pce à fixer [tfix] [mm] Profondeur d'ancrage nominale* [hnom] [mm] Ep. mini support* [hmin] [mm] Ø vis [d] [mm] Longueur vis [Lv] [mm] Ø colerette [dr] [mm] Recess Qté par boîte Qté par surconditionnement Poids [kg]
7500601303000TRZ13x3010306043514PZ210020000.007

Les valeurs sont données pour la pose sur un matériau compact tel que le béton cellulaire

Capacités recommandées

Références Référence Dimensions [ØxL] [mm] Capacité recommandée Données d'installation
Traction - Nrec [kN] Cisaillement - Vrec [kN] Distance entre les bords [ccr,N] [mm] Espacement [scr,N] [mm]
Béton cellulaire G4 Plaque de plâtre 12,5 mm Béton cellulaire G4 Plaque de plâtre 12,5 mm
7500601303000TRZ13x300.10.050.20.15050

*Ces valeurs sont à titres indicatifs 

Installation

Montage

Paquets ZIP

Acheter en ligne

No items available.

Contact

Simpson Strong-Tie France

Simpson Strong-Tie France

ZAC des Quatre Chemins
85400 Sainte-Gemme-la-Plaine
France