TSA-PATTEN

Cheville métallique femelle charge lourde option 7

La cheville métallique TSA-PATTEN à manchon convient pour la fixation d'éléments non structurels sur support plein, sa pose est facile et rapide grâce à une expansion nécessitant un faible couple de vissage.

Classe service 2
Acier électrozingué
Intérieur

Présentation

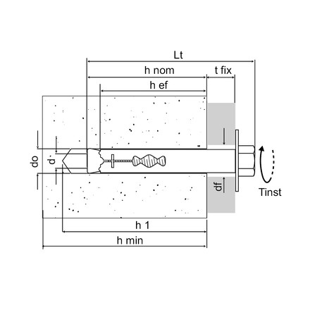
Images

Caractéristiques

Matière

  • Acier électrozingué.

Avantages

  • Expansion uniforme du manchon grâce aux 3 segments d'expansion fabriqués à partir d'une seule pièce acier,
  • La forme spéciale des 3 segments d'expansion permet de serrer l'élément à fixer sur le support lors de l'expansion.

Application

Domaines d'utilisation

  • Menuiseries métalliques,
  • Garde-corps,
  • Portes de garage,
  • Panneaux métalliques,
  • Equipements divers.

Supports

  • Béton non fissuré,
  • Pierre,
  • Brique pleine (compatibilité à vérifier).

Données techniques

Dimension cheville avec vis tête hexagonale

Références Référence Ø perçage x Ep. pce à fixer [doxtfix] [mm] Plug [Ø x L] Fixing thickness [max] Ø vis [d] [mm] Profondeur mini perçage [h1] [mm] Profondeur d'ancrage nominale [hnom] [mm] Profondeur d'ancrage mini [hef] [mm] Ø perçage pce à fixer [df] [mm] Ep. mini support [hmin] [mm] Couple de pose [Tinst] [Nm] Clé SW [SW] Longueur totale [Lt] [mm] Qté par boîte Qté par surconditionnement
79602B0804500TSA-PATTEN8/088x458M650362310100710491001000
79602B08060008/238x6023M65036231010071064100800
79602B08080008/438x8043M6503623101007108450500
79602B08100008/638x10063M65036231010071010450400
79602B100600010/1510x6015M86043311210015136550400
79602B100800010/3510x8035M86043311210015138550300
79602B101000010/5510x10055M860433112100151310525250
79602B101200010/7510x12075M860433112100151312520200
79602B101400010/9510x14095M860433112100151314520240
79602B120700012/1712x7017M106550361410030177650200
79602B121000012/4712x10047M1065503614100301710625200
79602B121300012/7712x13077M1065503614100301713620120

Capacités recommandées - 1 ancrage

Références Référence Capacité recommandée Données d'installation
Traction - Nrec [kN] Cisaillement - Vrec [kN] Distance entre les bords [ccr,N] [mm] Espacement [scr,N] [mm]
Béton C20/25 Béton C20/25
79602B0804500TSA-PATTEN1.21.275100
79602B0806000TSA-PATTEN1.21.275100
79602B0808000TSA-PATTEN1.21.275100
79602B0810000TSA-PATTEN1.21.275100
79602B1006000TSA-PATTEN1.61.685120
79602B1008000TSA-PATTEN1.61.685120
79602B1010000TSA-PATTEN1.61.685120
79602B1012000TSA-PATTEN1.61.685120
79602B1014000TSA-PATTEN1.61.685120
79602B1207000TSA-PATTEN2.22.2110155
79602B1210000TSA-PATTEN2.22.2110155
79602B1213000TSA-PATTEN2.22.2110155

*Ces valeurs sont à titres indicatifs

Installation

Montage

Paquets ZIP

Acheter en ligne

No items available.

Contact

Simpson Strong-Tie France

Simpson Strong-Tie France

ZAC des Quatre Chemins
85400 Sainte-Gemme-la-Plaine
France