TAN

Cheville nylon autoforeuse pour plaque de plâtre

La cheville nylon TAN est conçue pour la fixation sur plaque de plâtre. Cette cheville peut être directement vissée dans une paroi en plaque de plâtre simple ou double, avec la tête à fleur de la surface. La cheville peut être ensuite utilisée avec une vis bois ou acier de Ø3 à 4.5 mm.

La cheville est posée avec un embout ou tournevis cruciforme PH2.

 

 

Présentation

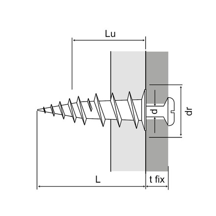
Images

Caractéristiques

Avantages

  • Aucun préperçage nécessaire,
  • Fonctione aussi sur plaque de plâtre doublée.

Application

Matière

  • Nylon.

Domaines d'utilisation

Fixation de :

  • Tasseaux bois,
  • Tringles,
  • Profil métallique,
  • Goulottes.

Support

  • Plaque de plâtre.

Données techniques

Dimensions

Dimensions

Références Référence du produit Dimensions [ØxL] [mm] Plug [Ø x L] Ø mini vis [d] [mm] Ø maxi vis [d] [mm] Ø colerette [dr] [mm] Longueur efficace filetage [Lu] [mm] Qté par boîte Qté par surconditionnement Poids [kg]
6550501503500TANØ6.5x3515x3534.5142210010000.002

Longueur de vis Lv = Lu + tfix

La cheville est mise en place avec un embout/tournevis cruciforme PH2

Capacités recommandées

Références Référence du produit Dimensions [ØxL] [mm] Capacité recommandée Données d'installation
Traction -Nrec [kN] Distance entre les bords [ccr,N] [mm] Espacement [scr,N] [mm]
Plaque de plâtre 12,5 mm Plaque de plâtre 2 x 12,5 mm
6550501503500TANØ6.5x350.060.15050

*Ces valeurs sont à titres indicatifs

Installation

Montage

Paquets ZIP

Acheter en ligne

No items available.

Contact

Simpson Strong-Tie France

Simpson Strong-Tie France

ZAC des Quatre Chemins
85400 Sainte-Gemme-la-Plaine
France