X3 A4

Cheville nylon longue Haute performance - Inox A4

La cheville nylon longue X3 A4 permet la fixation d'éléments fin ou épais, avec 3 profondeurs d'ancrage possible par longueur, sur tout type de support plein ou creux, en extérieur ou intérieur

La cheville a une expansion uniforme dans toutes les directions et dispose ainsi de performance hors du commun. 

La cheville est livrée avec une vis tête hexagonale ou tête fraisée.

Marquage CE
ETA
Classe service 3
Acier inoxydable A4
Ambiance corrosive
Feu R 90
Fix Calc

Présentation

Images

Caractéristiques

Matière

  • Cheville : nylon.
  • Vis : acier inoxydable A4.

Avantages

  • Grandes résistances sur tout type de matériau,
  • 3 profondeurs d'ancrage possibles par longueur de cheville,
  • Grande flexibilité, temps de pose réduit: la cheville peut être posée à travers l'élément à fixer. Dans le cas d'une pose avec profondeur d'ancrage réduite, le temprs de perçage est aussi réduit,
  • Expansion accrue,
  • Conçue pour la fixations d'éléments de charpente et de façade rapporté.

Application

Domaines d'utilisation

  • Charpente bois ou métallique,
  • Façade rapportée, isolation par l'extérieur (Chevron sur mur, équerre de bardage sur mur).

Supports

  • Béton non fissuré,
  • Maçonnerie pleine ou creuse.

Données techniques

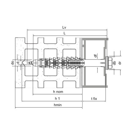
Dimensions

Dimensions cheville avec vis tête fraisée

Références Référence Cheville [ØxL] [mm] Vis [ØxL] [mm] Ep. à fixer pour prof. ancrage réduit [tfix] [mm] Ep. à fixer pour prof. ancrage standard [tfix] [mm] Empreinte Qté par boîte Qté par surconditionnement
6460200808000X3 A48x806x884030T3050500
6460200812000X3 A48x1206x1288070T3050500

* seulement pour béton cellulaire

Valeurs de calcul - 1 ancrage - pas de distance aux bords

Références Valeurs de calcul - 1 ancrage - pas de distance aux bords
Valeurs de calcul
Traction - NRd Cisaillement - VRd Moment de flexion MRd [Nm]
Béton non fissuré C12/15 [kN] Béton non fissuré C16/20 [kN] Béton cellulaire AAC 2 [kN] Brique pleine [kN] Béton non fissuré C12/15 [kN] Béton non fissuré C16/20 [kN] Béton cellulaire AAC 2 [kN] Brique pleine [kN]
64602008080000.650.83-1.4----8.3
64602008120000.650.83-1.4----8.3

Installation

Montage

Entraxes et distances aux bords

Références Référence Cheville [ØxL] [mm] Entraxes et distances aux bords
Béton non fissuré C12/15 Béton non fissuré C16/20 Béton Cellulaire AAC 2 [scr,N] [mm] Brique pleine [Tinst] [Nm]
Distance au bord mini Dist. entraxes mini [kN] Distance au bord caractéristique [kN] Ep. mini du support [Nm] Distance au bord mini [kN] Distance au bord caractéristique [kN] Dist. entraxes mini [kN] Ep. mini du support [kN] Distance au bord mini [cmin] [mm] Dist. entraxes mini [smin] [mm] Distance au bord caractéristique [kN] Ep. mini du support [ccr,N] [mm] Distance au bord mini [ccr,N] [mm] Dist. entraxes mini [hef] [mm] Distance au bord caractéristique [scr,N] [mm] Ep. mini du support [hmin] [mm]
6460200808000X3 A48x80708585100506060100100250-240100250-175
6460200812000X3 A48x120708585100506060100100250-240100250-175

Données de montage

Références Données de montage
Prof. min. de perçage [h1] [mm] Ø perçage dans pce à fixer (au travers) [df] [mm] Ø perçage [d0] [mm]
6460200808000558.58
6460200812000558.58

Certification

Déclaration de performance (DoP)

fr-x3-02-f.pdf (226.21 KB)

Agrément technique (ATE)

Téléchargements

Paquets ZIP

Acheter en ligne

No items available.

Contact

Simpson Strong-Tie France

Simpson Strong-Tie France

ZAC des Quatre Chemins
85400 Sainte-Gemme-la-Plaine
France