Cheville nylon longue souple - Inox A4
La cheville nylon longue FM-X5 est optimale pour la fixation d'éléments sur tout type de support creux ou plein, nécessitant un réglage manuel lors de la pose, tels que des chassis ou cadre de fenêtre ou porte.
La cheville est livrée prémontée avec une vis tête fraisée Inox A4 pour une utilisation en extérieur
Présentation
Caractéristiques
Matière
- Vis : acier inoxydable A4,
- Cheville : nylon.
Avantages
Gain de temps à la pose :
- Cheville et vis prémontés,
- Pose au travers l'élément à fixer,
- 8 ailettes qui empêchent toute rotation dans le trou de perçage,
- Nylon flexible et faible couple de serrage, permettant un réglage manuel,
- Cheville en polyamide PA6 qui garantit une très bonne résistance au temps.
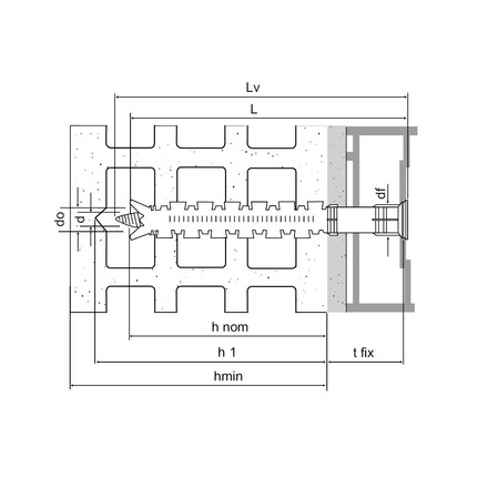
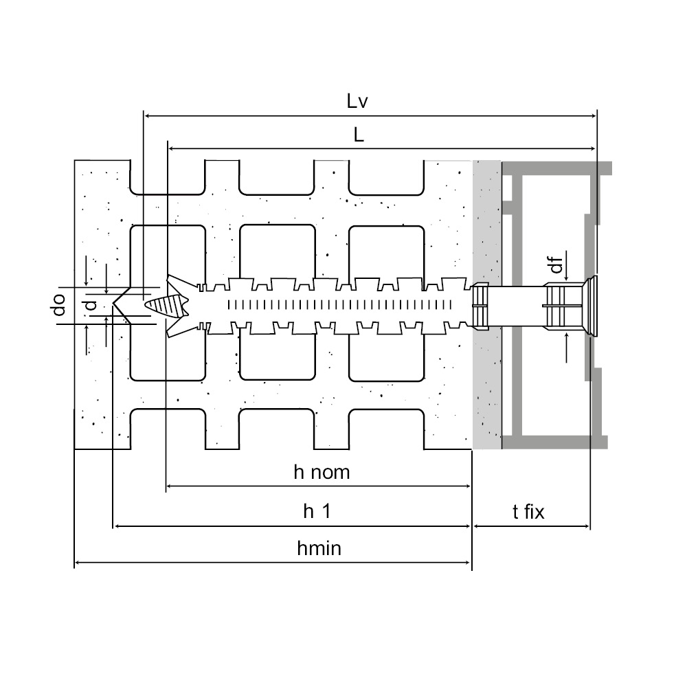
- L'épaisseur de la pièce à fixer (tfix) est gravée sur la cheville plastique
Application
Domaines d'utilisation
- Fixation de chevrons ou tasseaux,
- Fixation d'équerres simples,
- Fixation de menuiserie,
- Fixation de rails et colliers pour câbles et tuyaux,
- Fixation de revêtements minces en façades.
Support
- Béton non fissuré,
- Béton cellulaire,
- Pierre naturelle,
- Maçonneries pleines et creuses.
Données techniques
Dimension cheville avec vis tête fraisée
| Références | Référence | Dimensions [d0xL] [mm] | Ep. pce à fixer [tfix] [mm] | Profondeur mini perçage [h1] [mm] | Profondeur d'ancrage nominale [hnom] [mm] | Ep. mini support [hmin] [mm] | Ø max perçage pce à fixer [df] [mm] | Ø vis [Lv] [mm] | Longueur vis [Lv] [mm] | Embout | Qté par boîte | Qté par surconditionnement |
|---|---|---|---|---|---|---|---|---|---|---|---|---|
| 6430100808000 | FM-X5 A4 | Ø8x80 | 10 | 80 | 70 | 120 | 8.5 | 6 | 85 | T30 | 100 | 1000 |
| 6430100812000 | FM-X5 A4 | Ø8x120 | 50 | 80 | 70 | 120 | 8.5 | 6 | 125 | T30 | 50 | 500 |
▲ Quantity and delivery terms to be agreed
Valeurs de calcul - 1 ancrage - pas de distance aux bords
| Références | Valeurs de calcul - 1 ancrage - pas de distance aux bords | ||||||||
|---|---|---|---|---|---|---|---|---|---|
| Valeurs de calcul | |||||||||
| Traction - NRd | Cisaillement - VRd | Moment de flexion MRd [Nm] | |||||||
| Béton non fissuré C12/15 [kN] | Béton non fissuré C16/20 [kN] | Béton cellulaire AAC [kN] | Brique pleine [kN] | Béton non fissuré C12/15 [kN] | Béton non fissuré C16/20 [kN] | Béton cellulaire AAC [kN] | Brique pleine [kN] | ||
| 6430100808000 | 0.8 | 1.4 | 0.3 | 1.4 | 0.8 | 1.4 | 0.3 | 1.4 | 7.7 |
| 6430100812000 | 0.8 | 1.4 | 0.3 | 1.4 | 0.8 | 1.4 | 0.3 | 1.4 | 7.7 |
1. The design loads loads have been calculated using the partial safety factors for resistances stated in ETA-approval(s). The loading figures are valid for unreinforced concrete and reinforced concrete with a rebar spacing s ≥ 15 cm (any diameter) or with a rebar spacing s ≥ 10 cm, if the rebar diameter is 10mm or smaller.
2. The figures for shear are based on a single anchor without influence of concrete edges. For anchorages close to edges (c ≤ max [10 hef; 60d]) the concrete edge failure shall be checked per ETAG 001, Annex C, design method A.
3. Concrete is considered non-cracked when the tensile stress within the concrete is\sigmaL +\sigmaR ≤ 0. In the absence of detailed verification\sigmaR = 3 N/mm² can be assumed (\sigmaL equals the tensile stress within the concrete induced by external loads, anchors loads included).
*Not covered by ETA-11/0080
Installation
Montage
Données de montage
| Références | Référence | Dimensions [d0xL] [mm] | Ø perçage [d0] [d0] [mm] | Prof. min. de perçage [h1] [h1] [mm] | Ø perçage dans pce à fixer (au travers) [df] [df] [mm] | Ouverture de clé sur plat [SW] [SW] [mm] |
|---|---|---|---|---|---|---|
| 6430100808000 | FM-X5 A4 | Ø8x80 | 8 | 80 | 8.5 | - |
| 6430100812000 | FM-X5 A4 | Ø8x120 | 8 | 80 | 8.5 | - |
Entraxes et distances aux bords
| Références | Référence | Dimensions [d0xL] [mm] | Entraxes et distances aux bords | |||||||||||||
|---|---|---|---|---|---|---|---|---|---|---|---|---|---|---|---|---|
| Béton non fissuré C12/15 | Béton non fissuré C16/20 | Béton cellulaire AAC | Brique pleine | |||||||||||||
| Distance au bord mini [cmin] [mm] | Dist. entraxes mini [smin] [mm] | Distance au bord caractéristique [ccr,N] [mm] | Ep. mini du support [hmin] [mm] | Distance au bord mini [cmin] [mm] | Dist. entraxes mini [smin] [mm] | Distance au bord caractéristique [ccr,N] [mm] | Ep. mini du support [hmin] [mm] | Distance au bord mini [cmin] [mm] | Dist. entraxes mini [smin] [mm] | Ep. mini du support [hmin] [mm] | Distance au bord mini [cmin] [mm] | Dist. entraxes mini [smin] [mm] | Ep. mini du support [hmin] [mm] | |||
| 6430100808000 | FM-X5 A4 | Ø8x80 | 80 | 80 | 140 | 100 | 60 | 60 | 100 | 100 | 100 | 250 | 200 | 100 | 250 | 110 |
| 6430100812000 | FM-X5 A4 | Ø8x120 | 80 | 80 | 140 | 100 | 60 | 60 | 100 | 100 | 100 | 250 | 200 | 100 | 250 | 110 |