La cheville à ressort se met en place automatiquement dans le support creux par expansion des ailes grâce à un ressort. Elle est disponible avec plusieurs accessoires,
La cheville à ressort nécessite des alvéoles dans le support moins hautes que pour une cheville à bascule sans ressort.
Application
Domaines d'utilisation
Equipement electriques ou sanitaires,
Tringles.
Supports
Cloisons sèches et doublage de plafond,
Brique creuse,
Plaques de plâtres,
Panneaux et tôles.
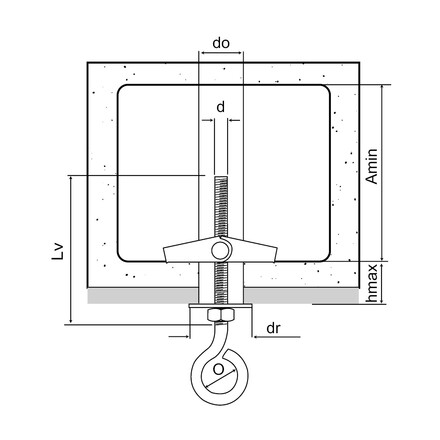
Données techniques
Dimensions
Installation
Montage
Paquets ZIP
Acheter en ligne
No items available.
Meta Navigation fr-FR
Legal Info
A propos de Simpson Strong-Tie®
Simpson Strong Tie fournit des produits et des technologies qui aident les gens à concevoir et à construire des structures plus sûres et plus solides.
En tant que pionnier de l'industrie du bâtiment et leader mondial des solutions structurelles, nous avons une passion inégalée pour la résolution des problèmes par le biais d'une ingénierie habile et d'une innovation réfléchie. Notre engagement pour rechercher des produits et des technologies de construction toujours plus performants et accompagner nos clients avec un service et une assistance exceptionnelle est au cœur de notre mission depuis 1956.