FOB'uleuse - Connecteur pour façades ossature bois
FOB'uleuse permet la connection d'un mur de façade en ossature bois sur une structure porteuse, tout en permettant la déformation relative des matériaux entre eux (tassement différentiel et retrait gonflement).
La solution est constitué de 2 parties:
- BFOB pour connecter une lisse basse de mur au support
- TFOB pour connecter la lisse haute du mur au BFOB supérieur
BFOB est suffisamment rigide pour permettre un espace entre le mur ossature bois et le support, où une couche isolante pourra être placée.
Cette solution innovante a été développée conjointement avec Bouygues Bâtiment IDF, sur la base de leur expérience des chantiers FOB, et fait l'objet d'un dépôt de brevet commun (2513058 du 07/11/2025)
Présentation
Caractéristiques
Matière
- Acier S235JR galvanisé à chaud 55µm (TFOBG & BFOBG) ou shérardisé 30µm (TFOBSH & BFOBSH)
Avantages
- le système permet la déformation relative des éléments dans le plan de la façade, en utilisant les différents plan de vissage suivant l'illustration jointe, conformément au DTU 31.4.
- possibilité de laisser un écartement (40 mm max) entre le mur ossature bois et le nez de support, espace où une couche isolante pourra être placée.
- La partie fixée sur le support est compacte, et peut être dissimulée dans le complexe de plancher
Application
Support
- Porteur : CLT, béton, acier,etc...
- Porté: bois
Domaines d'utilisations
- Façade ossature bois
Données techniques
Autres données techniques
Il est supposé que les efforts (F1/6 & F2/3) sont répartis pour moitié sur la lisse connectée à TFOB, et pour moitié sur la lisse connectée à BFOB.
L'effort vertical F4 de la façade est transférée au support uniquement via BFOB, et le module de glissement k4.ser correspond au déplacement au centre de la lisse bois en contact avec BFOB.
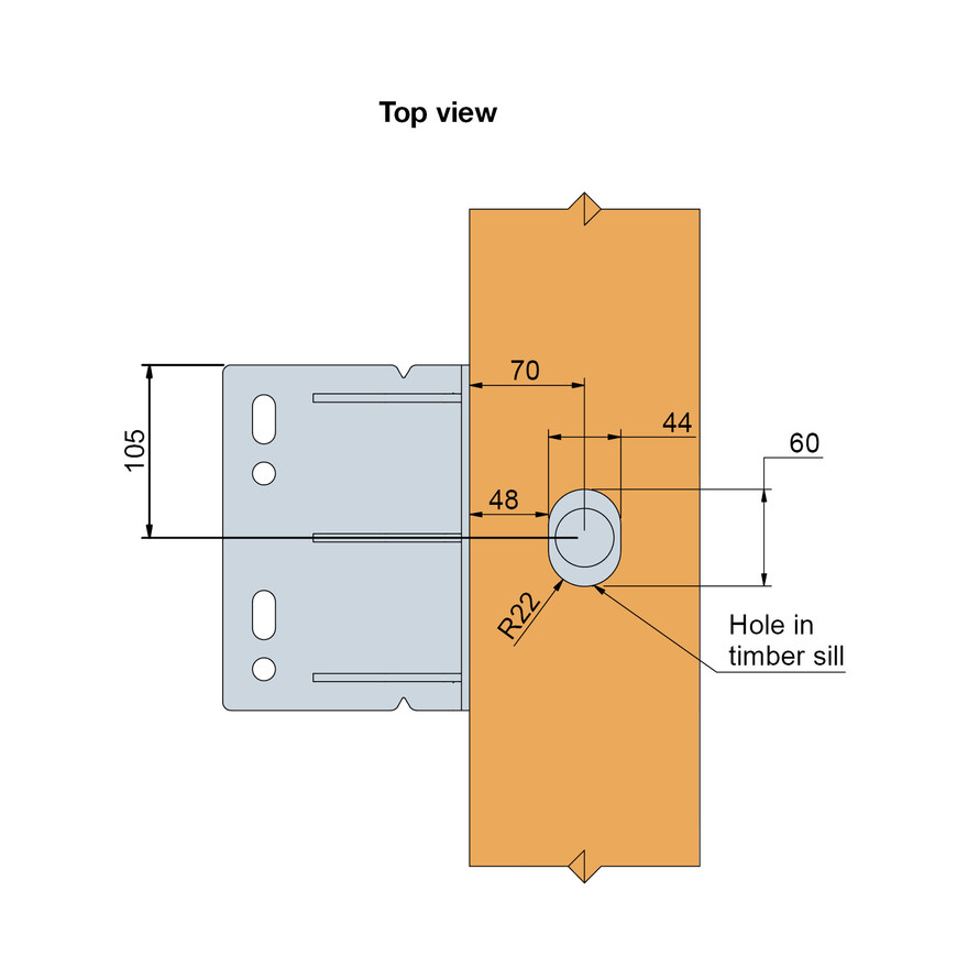
Si le support est en béton, il doit être renforcé à proximité de la rive. A charge maximum, il est considéré que la zone effective de béton en compression est au delà de 30mm de la rive de la dalle.
Pour toutes les configurations, l'utilisateur devra vérifier la résistance des chevilles/boulons dans le support, soumis à des charges latérales de 1x F1/6 et 1x F2/3, et une charge axiale de 1x F4, appliquées au milieu de la paire de cheville.
Le module de glissement de la connexion globale doit prendre en compte celui de la fixation (chevilles/boulon) dans le porteur, kser = 1 / (1/kser.connector + 1/kser.anchor). Par exemple, avec les FM-753 CRACK M12 et 72mm de profondeur d'ancrage, le module de glissement global de la connexion est 4.59 kN/mm.
Dimensions
| Références | Dimensions [mm] | Perçages Aile A | Perçages Aile B | ||||||||
|---|---|---|---|---|---|---|---|---|---|---|---|
| A | B | C | t1 | t2 | Ø5 [mm] | Ø5x20 [mm] | ∅5x25 | Ø35 [mm] | Ø14 [mm] | Ø14x30 [mm] | |
| BFOB | 50 | 260 | 210 | 10 | 5 | 4 | 4 | - | 1 | 2 | 2 |
| TFOB | 110 | 120 | 170 | 5 | 3.2 | 4 | - | 8 | - | - | - |
Valeurs Caractéristiques - Connexion bois sur béton - Plan de vissage 1
| Références | Valeurs caractéristiques - Bois sur Béton - Plan de vissage 1 | ||||||||||||
|---|---|---|---|---|---|---|---|---|---|---|---|---|---|
| Fixations | Valeurs caractéristiques - Bois C24 [kN] | Module de glissement [kN/mm] | |||||||||||
| BFOB - Aile A sur porteur | BFOB - Aile B sur bois | TFOB - Aile A sur bois | R1.k pour lisse bois 45xL | R2.k = R3.k | R4.k | k1.ser [kN/mm] | k4.ser | ||||||
| Qté | Type | Qté | Type | Qté | Type | 140≤L≤145 mm | 150≤L≤220 mm | 140≤L≤145 mm | 150≤L≤220 mm | ||||
| BFOB | 2 | Ø12* | 4 | CSA5.0X80 | - | - | 8.6 | 6.1 | - | 17,9 / kmod | - | 4.83 | 3.85 |
| BFOB + TFOB | 2 | Ø12* | 4 | CSA5.0X80 | 8 | CSA5.0X40 | 17.3 | 12.1 | - | 17,9 / kmod | 16.9 | 4.83 | 3.85 |
Valeurs Caractéristiques - Connexion bois sur béton - Plan de vissage 2
| Références | Valeurs caractéristiques - Bois sur Béton - Plan de vissage 2 | |||||||||||||
|---|---|---|---|---|---|---|---|---|---|---|---|---|---|---|
| Fixations | Valeurs caractéristiques - Bois C24 [kN] | Module de glissement [kN/mm] | ||||||||||||
| BFOB - Aile A sur porteur | BFOB - Aile B sur bois | TFOB - Aile A sur bois | R1.k pour lisse bois 45xL | R2.k = R3.k | R4.k | k1.ser [kN/mm] | k2.ser = k3.ser [kN/mm] | k4.ser | ||||||
| Qté | Type | Qté | Type | Qté | Type | 140≤L≤145 mm | 150≤L≤220 mm | 140≤L≤145 mm | 150≤L≤220 mm | |||||
| BFOB | 2 | Ø12* | 4 | CSA5.0X80 | - | - | 10.9 | 7.4 | 8.5 | 17,9 / kmod | - | - | 4.83 | 3.85 |
| BFOB + TFOB | 2 | Ø12* | 4 | CSA5.0X80 | 12 | CSA5.0X40 | 21.9 | 14 | 9.2 | 17,9 / kmod | 16.9 | 10.7 | 4.83 | 3.85 |
Valeurs Caractéristiques - Connexion bois sur béton - Plan de vissage 3
| Références | Valeurs caractéristiques - Bois sur Béton - Plan de vissage 3 | |||||||||||||
|---|---|---|---|---|---|---|---|---|---|---|---|---|---|---|
| Fixations | Valeurs caractéristiques - Bois C24 [kN] | Module de glissement | ||||||||||||
| BFOB - Aile A sur porteur | BFOB - Aile B sur bois | TFOB - Aile A sur bois | R1.k pour lisse bois 45xL | R2.k = R3.k | R4.k | k1.ser | k2.ser = k3.ser | k4.ser | ||||||
| Qté | Type | Qté | Type | Qté | Type | 140≤L≤145 mm | 150≤L≤220 mm | 140≤L≤145 mm | 150≤L≤220 mm | |||||
| BFOB | 2 | Ø12* | 4 | CSA5.0X80 | - | - | 10.9 | 7.4 | 8.5 | 17,9 / kmod | - | - | 4.83 | 3.85 |
| BFOB + TFOB | 2 | Ø12* | 4 | CSA5.0X80 | 4 | CSA5.0X40 | 8.7 | 8.6 | 9.2 | 17,9 / kmod | - | - | 4.83 | 3.85 |
Installation
Montage
Fixations
Sur bois:
- Vis CSA 5.0
Sur support béton:
- Cheville mécanique : goujon FM-753 Crack 3DG M12x110,
- Ancrage chimique : résine KEM-H + tige filetée LMAS M12-150/35
Montage
Avant le levage:
- Réaliser des perçages sur la lisse basse selon le schéma ci-après afin de laisser passer les tubes des TFOB
- Fixer les TFOB avec des vis CSA5.0X40 ou CSA5.0X80 sur la lisse haute du module de façade, selon le plan de vissage prévu (voir tableaux résistance). Utiliser les perçages oblongs uniquement pour les connection latériales de module de façade bois, utiliser les perçages circulaires + oblongs pour les connections centrales de module.
Sur chantier:
- Au premier niveau, fixer sur le dessus de la structure porteuse les BFOB, 2 chevilles/boulons par platine.
- Lever le module de façade bois et le poser sur les BFOB, puis visser les BFOB au module selon les plans de vissages prévu (voir tableaux résistance). Utiliser les perçages oblongs uniquement pour les connexions latériales de module de façade bois, utiliser les perçages circulaires pour les connexions centrales de module.
- Au niveau supérieur, placer des nouveaux BFOB par dessus les TFOB préalablement fixés en tête de module, et fixer ces BFOB au support avec 2 chevilles/boulons.
- Puis renouveler l'opération pour le module de l'étage supérieur.
Les modules de façades devront être stabilisés par d'autre moyens jusqu'à ce que les connecteurs BFOB et TFOB soient totalement assemblés.
- Section de lisse bois: minimum épaisseur 45mm, largeur de 140 à 220mm.
- Ecartement maximale entre lisse et nez de structure porteuse: 40mm
- Espacement vertical maximum entre lisses de deux modules superposés: 40mm