VF

Vis béton et maçonnerie

La vis béton VF est un système de fixation direct et rapide d'éléments légers, type chassis de fenêtre et porte, sur support plein ou creux.

Marquage CE
Classe service 2
Acier électrozingué
Intérieur

Présentation

Images

Caractéristiques

Avantages

  • Pose simple et rapide : perçer et visser,
  • Distance au bord et entraxes faibles,
  • Entièrement et facilement démontable,
  • Petit diamètre de perçage (6mm).

Application

Matière

  • Acier electrozingué.

Domaines d'utilisation

  • Fixations temporaires,
  • Lisses basses,
  • Chemins de câbles, de ventilation et colliers.

Supports

  • Béton non fissuré,
  • Béton cellulaire,
  • Maçonnerie creuse et pleine.

Données techniques

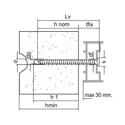
Dimensions

Dimensions vis tête fraisée

Références Référence Dimensions [dxLv] [mm] Ø perçage [do] [mm] Ø perçage pce à fixer [df] [mm] Ø tête [s] [mm] Profondeur d'ancrage nominale [hnom] [mm] Ep. max [tfix] pce à fixer [mm] Profondeur mini perçage [h1] [mm] Ep. mini support [hmin] [mm] empreinte Qté par boîte Qté par surconditionnement
19419B0706000VFØ7,5x6066.211.530304060T-30100800
19419B0708000Ø7,5x8066.211.530504060T-30100800
19419B0709000Ø7,5x9066.211.530604060T-30100800
19419B0710000Ø7,5x10066.211.530704060T-30100800
19419B0712000Ø7,5x12066.211.530904060T-30100600
19419B0715000Ø7,5x15066.211.5301204060T-30100600
19419B0718000Ø7,5x18066.211.5301504060T-30100400

Ep. max de pièce à fixer correspond à une pose sur béton

* dimension non couverte par marquage CE

Recommended loads / for single anchors 1)

Références Référence Dimensions [dxLv] [mm] Recommended loads 1) for single anchor
Concrete C20/25 2) Solid brick 2)
fbk ≥ 20 N/mm2
Honeycomb brick (Bimattone) 2)
fbk ≥ 10 N/mm2
Pine-wood 3)
ρk = 450kg/m3
Max torque 5) [Tmax] [Nm]
Nrec [kN] Vrec [kN] Nrec [kN] Vrec [kN] Nrec [kN] Vrec [kN] Nrec [kN] Vrec [kN]
19419B0709000VFØ7,5x901.51.51.31.50.10.31.1-20
19419B0710000VFØ7,5x1001.51.51.31.50.10.31.1-20
19419B0715000VFØ7,5x1501.51.51.31.50.10.31.1-20
19419B0718000VFØ7,5x1801.51.51.31.50.10.31.1-20

1)The allowable loads Nzul / Vzul were determined from the average values of the breaking loads, taking into account a safety factor γ = 4 (γ = 5 for vertically perforated bricks). Design and dimensioning
shall be carried out in accordance with the Friulsider design guide.


2) Anchoring base without plaster layer.

concrete: hnom = 30mm

solid masonry: hnom = 40mm

honycomb brick (Bimattone): hnom = 60mm


3) Pine wood average gross density ρk = 450 kg/m3 / moisture content approx. 12 % / fiber direction α > 30°.

Pine wood: hnom = 40mm


5) The installation torque must be adjusted according to the type of installation and the anchoring base.

Installation

Montage

Paquets ZIP

Acheter en ligne

No items available.

Contact

Simpson Strong-Tie France

Simpson Strong-Tie France

ZAC des Quatre Chemins
85400 Sainte-Gemme-la-Plaine
France