FM-X5
Cheville nylon longue souple
La cheville nylon longue FM-X5 est optimale pour la fixation d'éléments sur tout type de support creux ou plein, nécessitant un réglage manuel lors de la pose, tels que des chassis ou cadre de fenêtre ou porte.
La cheville est livrée prémontée avec une vis tête fraisée ou une vis tête hexagonale.
Marquage CE
ETA
Classe service 2
Acier électrozingué
Intérieur
Feu R 90
Fix Calc
Présentation
Caractéristiques
Matière
- Vis : acier électrozingué,
- Cheville : nylon.
Avantages
Gain de temps à la pose :
- Cheville et vis prémontés,
- Pose au travers l'élément à fixer,
- 8 ailettes qui empêchent toute rotation dans le trou de perçage,
- Nylon flexible et faible couple de serrage, permettant un réglage manuel,
- Cheville en polyamide PA6 qui garantit une très bonne résistance au temps.
- L'épaisseur de la pièce à fixer (tfix) est gravée sur la cheville plastique
Application
Domaines d'utilisation
- Fixation de chevrons ou tasseaux,
- Fixation d'équerres simples,
- Fixation de menuiseries,
- Fixation de rails et colliers pour câbles et tuyaux,
- Fixation de revêtements minces en façades.
Supports
- Béton non fissuré,
- Béton cellulaire,
- Pierre naturelle,
- Maçonneries pleines et creuses.
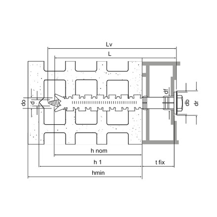
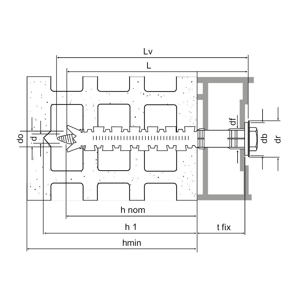
Données techniques
Dimensions cheville avec vis tête fraisée
| Références | Référence | Dimensions [d0xL] [mm] | Ep. max pce à fixer [tfix,max] [mm] | Profondeur mini perçage [h1] | Profondeur d'ancrage nominale [hnom] [mm] | Ep. mini support [hmin] [mm] | Ø vis [d] [mm] | Longueur vis [Lv] [mm] | Embout | Qté par boîte | Qté par surconditionnement |
|---|---|---|---|---|---|---|---|---|---|---|---|
| 64301B0808000 | FM-X5 | Ø8x80 | 10 | 80 | 70 | 120 | 6 | 85 | T30 | 100 | 1000 |
| 64301B0810000 | Ø8x100 | 30 | 80 | 70 | 120 | 6 | 105 | T30 | 50 | 500 | |
| 64301B0812000 | Ø8x120 | 50 | 80 | 70 | 120 | 6 | 125 | T30 | 50 | 500 | |
| 64301B0815000 | Ø8x150 | 80 | 80 | 70 | 120 | 6 | 155 | T30 | 50 | - | |
| 64301B1008500 | Ø10x85 | 15 | 80 | 70 | 120 | 7 | 90 | T40 | 50 | 500 | |
| 64301B1010000 | Ø10x100 | 30 | 80 | 70 | 120 | 7 | 105 | T40 | 50 | 500 | |
| 64301B1011500 | Ø10x115 | 45 | 80 | 70 | 120 | 7 | 120 | T40 | 50 | 500 | |
| 64301B1013500 | Ø10x135 | 65 | 80 | 70 | 120 | 7 | 140 | T40 | 50 | 200 | |
| 64301B1016000 | Ø10x160 | 90 | 80 | 70 | 120 | 7 | 165 | T40 | 50 | - | |
| 64301B1020000 | Ø10x200 | 130 | 80 | 70 | 120 | 7 | 205 | T40 | 50 | - | |
| 64301B1023000 | Ø10x230 | 160 | 80 | 70 | 120 | 7 | 235 | T40 | 50 | - |
* Including plaster
Dimensions cheville avec vis tête hexagonale
| Références | Référence | Dimensions [d0xL] [mm] | Ep. max pce à fixer [tfix,max] [mm] | Profondeur mini perçage [h1] | Profondeur d'ancrage nominale [hnom] [mm] | Ep. mini support [hmin] [mm] | Ø perçage pce à fixer [df] [mm] | Ø rondelle [df] [mm] | Ø vis [d] [mm] | Longueur vis [Lv] [mm] | Clé SW [SW] [mm] | Embout | Qté par boîte | Qté par surconditionnement |
|---|---|---|---|---|---|---|---|---|---|---|---|---|---|---|
| 64302B0808000 | FM-X5 | Ø8x80 | 10 | - | - | - | - | 15 | 6 | 85 | 10 | T30 | 100 | 10000 |
| 64302B0810000 | Ø8x100 | 30 | 80 | 70 | 120 | 8.5 | 15 | 6 | 105 | 10 | T30 | 50 | 500 | |
| 64302B0812000 | Ø8x120 | 50 | 80 | 70 | 120 | 8.5 | 15 | 6 | 125 | 10 | T30 | 50 | 500 | |
| 64302B0815000 | Ø8x150 | 80 | 80 | 70 | 120 | 8.5 | 15 | 6 | 155 | 10 | T30 | 50 | - | |
| 64302B1008500 | Ø10x85 | 15 | 80 | 70 | 120 | 10.5 | 19 | 7 | 90 | 13 | T40 | 50 | 500 | |
| 64302B1010000 | Ø10x100 | 30 | 80 | 70 | 120 | 10.5 | 19 | 7 | 105 | 13 | T40 | 50 | 500 | |
| 64302B1011500 | Ø10x115 | 45 | 80 | 70 | 120 | 10.5 | 19 | 7 | 120 | 13 | T40 | 50 | 500 | |
| 64302B1013500 | Ø10x135 | 65 | 80 | 70 | 120 | 10.5 | 19 | 7 | 140 | 13 | T40 | 50 | 200 |
* Including plaster
Valeurs de calcul - cheville isolée - pas de distance aux bords
| Références | Valeurs de calcul - cheville isolée - pas de distance aux bords | ||||||||||||
|---|---|---|---|---|---|---|---|---|---|---|---|---|---|
| Référence | Dimensions [d0xL] [mm] | Valeurs design | |||||||||||
| Traction - NRd | Cisaillement - VRd | Moment de flexion MRd [Nm] | |||||||||||
| Béton non fissuré C12/15 [kN] | Béton non fissuré C16/20 [kN] | Béton cellulaire [kN] | Brique pleine [kN] | Brique creuse | Béton non fissuré C12/15 [kN] | Béton non fissuré C16/20 [kN] | Béton cellulaire [kN] | Brique pleine [kN] | Brique creuse | ||||
| 64301B0808000 | FM-X5 | Ø8x80 | 0.8 | 1.4 | 0.3 | 1.4 | 0.6 | 0.8 | 1.4 | 0.3 | 1.4 | 0.6 | 7 |
| 64301B0810000 | FM-X5 | Ø8x100 | 0.8 | 1.4 | 0.3 | 1.4 | 0.6 | 0.8 | 1.4 | 0.3 | 1.4 | 0.6 | 7 |
| 64301B0812000 | FM-X5 | Ø8x120 | 0.8 | 1.4 | 0.3 | 1.4 | 0.6 | 0.8 | 1.4 | 0.3 | 1.4 | 0.6 | 7 |
| 64301B0815000 | FM-X5 | Ø8x150 | 0.8 | 1.4 | 0.3 | 1.4 | 0.6 | 0.8 | 1.4 | 0.3 | 1.4 | 0.6 | 7 |
| 64301B1008500 | FM-X5 | Ø10x85 | 1.4 | 1.9 | 0.3 | 1.4 | 0.6 | 1.4 | 1.9 | 0.3 | 1.4 | 0.6 | 13.47 |
| 64301B1010000 | FM-X5 | Ø10x100 | 1.4 | 1.9 | 0.3 | 1.4 | 0.6 | 1.4 | 1.9 | 0.3 | 1.4 | 0.6 | 13.47 |
| 64301B1011500 | FM-X5 | Ø10x115 | 1.4 | 1.9 | 0.3 | 1.4 | 0.6 | 1.4 | 1.9 | 0.3 | 1.4 | 0.6 | 13.47 |
| 64301B1013500 | FM-X5 | Ø10x135 | 1.4 | 1.9 | 0.3 | 1.4 | 0.6 | 1.4 | 1.9 | 0.3 | 1.4 | 0.6 | 13.47 |
| 64301B1016000 | FM-X5 | Ø10x160 | 1.4 | 1.9 | 0.3 | 1.4 | 0.6 | 1.4 | 1.9 | 0.3 | 1.4 | 0.6 | 13.47 |
| 64301B1020000 | FM-X5 | Ø10x200 | 1.4 | 1.9 | 0.3 | 1.4 | 0.6 | 1.4 | 1.9 | 0.3 | 1.4 | 0.6 | 13.47 |
| 64301B1023000 | FM-X5 | Ø10x230 | 1.4 | 1.9 | 0.3 | 1.4 | 0.6 | 1.4 | 1.9 | 0.3 | 1.4 | 0.6 | 13.47 |
| 64302B0810000 | FM-X5 | Ø8x100 | 0.8 | 1.4 | 0.3 | 1.4 | 0.6 | 0.8 | 1.4 | 0.3 | 1.4 | 0.6 | 7 |
| 64302B0812000 | FM-X5 | Ø8x120 | 0.8 | 1.4 | 0.3 | 1.4 | 0.6 | 0.8 | 1.4 | 0.3 | 1.4 | 0.6 | 7 |
| 64302B0815000 | FM-X5 | Ø8x150 | 0.8 | 1.4 | 0.3 | 1.4 | 0.6 | 0.8 | 1.4 | 0.3 | 1.4 | 0.6 | 7 |
| 64302B1008500 | FM-X5 | Ø10x85 | 1.4 | 1.9 | 0.3 | 1.4 | 0.6 | 1.4 | 1.9 | 0.3 | 1.4 | 0.6 | 13.47 |
| 64302B1010000 | FM-X5 | Ø10x100 | 1.4 | 1.9 | 0.3 | 1.4 | 0.6 | 1.4 | 1.9 | 0.3 | 1.4 | 0.6 | 13.47 |
| 64302B1011500 | FM-X5 | Ø10x115 | 1.4 | 1.9 | 0.3 | 1.4 | 0.6 | 1.4 | 1.9 | 0.3 | 1.4 | 0.6 | 13.47 |
| 64302B1013500 | FM-X5 | Ø10x135 | 1.4 | 1.9 | 0.3 | 1.4 | 0.6 | 1.4 | 1.9 | 0.3 | 1.4 | 0.6 | 13.47 |
Installation
Montage
Entraxes et distances aux bords
| Références | Référence | Dimensions [d0xL] [mm] | Entraxes et distances aux bords | |||||||||||||
|---|---|---|---|---|---|---|---|---|---|---|---|---|---|---|---|---|
| Béton non fissuré C12/15 | Béton non fissuré C16/20 | Béton cellulaire | Brique pleine | |||||||||||||
| Distance au bord mini [cmin] [cmin] [mm] | Dist. entraxes mini [smin] [smin] [mm] | Distance au bord caractéristique [ccr,N] [ccr,N] [mm] | Ep. mini du support [hmin] [hmin] [mm] | Distance au bord mini [cmin] [cmin] [mm] | Dist. entraxes mini [smin] [smin] [mm] | Distance au bord caractéristique [ccr,N] [ccr,N] [mm] | Ep. mini du support [hmin] [hmin] [mm] | Distance au bord mini [cmin] [cmin] [mm] | Dist. entraxes mini [smin] [smin] [mm] | Ep. mini du support [hmin] [hmin] [mm] | Distance au bord mini [cmin] [cmin] [mm] | Dist. entraxes mini [smin] [smin] [mm] | Ep. mini du support [hmin] [hmin] [mm] | |||
| 64301B0808000 | FM-X5 | Ø8x80 | 80 | 80 | 140 | 100 | 60 | 60 | 100 | 100 | 100 | 250 | 200 | 100 | 250 | 110 |
| 64301B0810000 | FM-X5 | Ø8x100 | 80 | 80 | 140 | 100 | 60 | 60 | 100 | 100 | 100 | 250 | 200 | 100 | 250 | 110 |
| 64301B0812000 | FM-X5 | Ø8x120 | 80 | 80 | 140 | 100 | 60 | 60 | 100 | 100 | 100 | 250 | 200 | 100 | 250 | 110 |
| 64301B0815000 | FM-X5 | Ø8x150 | 80 | 80 | 140 | 100 | 60 | 60 | 100 | 100 | 100 | 250 | 200 | 100 | 250 | 110 |
| 64301B1008500 | FM-X5 | Ø10x85 | 80 | 80 | 140 | 100 | 60 | 60 | 100 | 100 | 100 | 250 | 200 | 100 | 250 | 110 |
| 64301B1010000 | FM-X5 | Ø10x100 | 80 | 80 | 140 | 100 | 60 | 60 | 100 | 100 | 100 | 250 | 200 | 100 | 250 | 110 |
| 64301B1011500 | FM-X5 | Ø10x115 | 80 | 80 | 140 | 100 | 60 | 60 | 100 | 100 | 100 | 250 | 200 | 100 | 250 | 110 |
| 64301B1013500 | FM-X5 | Ø10x135 | 80 | 80 | 140 | 100 | 60 | 60 | 100 | 100 | 100 | 250 | 200 | 100 | 250 | 110 |
| 64301B1016000 | FM-X5 | Ø10x160 | 80 | 80 | 140 | 100 | 60 | 60 | 100 | 100 | 100 | 250 | 200 | 100 | 250 | 110 |
| 64301B1020000 | FM-X5 | Ø10x200 | 80 | 80 | 140 | 100 | 60 | 60 | 100 | 100 | 100 | 250 | 200 | 100 | 250 | 110 |
| 64301B1023000 | FM-X5 | Ø10x230 | 80 | 80 | 140 | 100 | 60 | 60 | 100 | 100 | 100 | 250 | 200 | 100 | 250 | 110 |
| 64302B0810000 | FM-X5 | Ø8x100 | 80 | 80 | 140 | 100 | 60 | 60 | 100 | 100 | 100 | 250 | 200 | 100 | 250 | 110 |
| 64302B0812000 | FM-X5 | Ø8x120 | 80 | 80 | 140 | 100 | 60 | 60 | 100 | 100 | 100 | 250 | 200 | 100 | 250 | 110 |
| 64302B0815000 | FM-X5 | Ø8x150 | 80 | 80 | 140 | 100 | 60 | 60 | 100 | 100 | 100 | 250 | 200 | 100 | 250 | 110 |
| 64302B1008500 | FM-X5 | Ø10x85 | 80 | 80 | 140 | 100 | 60 | 60 | 100 | 100 | 100 | 250 | 200 | 100 | 250 | 110 |
| 64302B1010000 | FM-X5 | Ø10x100 | 80 | 80 | 140 | 100 | 60 | 60 | 100 | 100 | 100 | 250 | 200 | 100 | 250 | 110 |
| 64302B1011500 | FM-X5 | Ø10x115 | 80 | 80 | 140 | 100 | 60 | 60 | 100 | 100 | 100 | 250 | 200 | 100 | 250 | 110 |
| 64302B1013500 | FM-X5 | Ø10x135 | 80 | 80 | 140 | 100 | 60 | 60 | 100 | 100 | 100 | 250 | 200 | 100 | 250 | 110 |
Données de montage
| Références | Référence | Dimensions [d0xL] [mm] | Données de montage | |||
|---|---|---|---|---|---|---|
| Ø perçage [d0] [d0] [mm] | Prof. min. de perçage [h1] [h1] [mm] | Ø perçage dans pce à fixer (au travers) [df] [df] [mm] | Ouverture de clé sur plat [SW] [SW] [mm] | |||
| 64301B0808000 | FM-X5 | Ø8x80 | 8 | 80 | 8.5 | - |
| 64301B0810000 | FM-X5 | Ø8x100 | 8 | 80 | 8.5 | - |
| 64301B0812000 | FM-X5 | Ø8x120 | 8 | 80 | 8.5 | - |
| 64301B0815000 | FM-X5 | Ø8x150 | 8 | 80 | 8.5 | - |
| 64301B1008500 | FM-X5 | Ø10x85 | 10 | 80 | 10.5 | - |
| 64301B1010000 | FM-X5 | Ø10x100 | 10 | 80 | 10.5 | - |
| 64301B1011500 | FM-X5 | Ø10x115 | 10 | 80 | 10.5 | - |
| 64301B1013500 | FM-X5 | Ø10x135 | 10 | 80 | 10.5 | - |
| 64301B1016000 | FM-X5 | Ø10x160 | 10 | 80 | 10.5 | - |
| 64301B1020000 | FM-X5 | Ø10x200 | 10 | 80 | 10.5 | - |
| 64301B1023000 | FM-X5 | Ø10x230 | 10 | 80 | 8.5 | - |
| 64302B0810000 | FM-X5 | Ø8x100 | 8 | 80 | 8.5 | 10 |
| 64302B0812000 | FM-X5 | Ø8x120 | 8 | 80 | 8.5 | 10 |
| 64302B0815000 | FM-X5 | Ø8x150 | 8 | 80 | 8.5 | 10 |
| 64302B1008500 | FM-X5 | Ø10x85 | 10 | 80 | 10.5 | 13 |
| 64302B1010000 | FM-X5 | Ø10x100 | 10 | 80 | 10.5 | 13 |
| 64302B1011500 | FM-X5 | Ø10x115 | 10 | 80 | 10.5 | 13 |
| 64302B1013500 | FM-X5 | Ø10x135 | 10 | 80 | 10.5 | 13 |
Certification
Déclaration de performance (DoP)
fr-fm-x5-07-f.pdf
(225.8 KB)
Agrément technique (ATE)
fm-x5-eta-10-0425-en-2024-03-13.pdf
(987.52 KB)